
淄博市化工设备厂
联系人:张勇 13505330686
电 话:0533-2980884 2980885 2980579 2980709
传 真:0533-2980710
邮 编:255063
E-mail:zcep@atkkasx.cn
fucheq@zb-public.sd.cninfo.net
网 址://atkkasx.cn
厂 址:山东省淄博市张店区山泉路南首

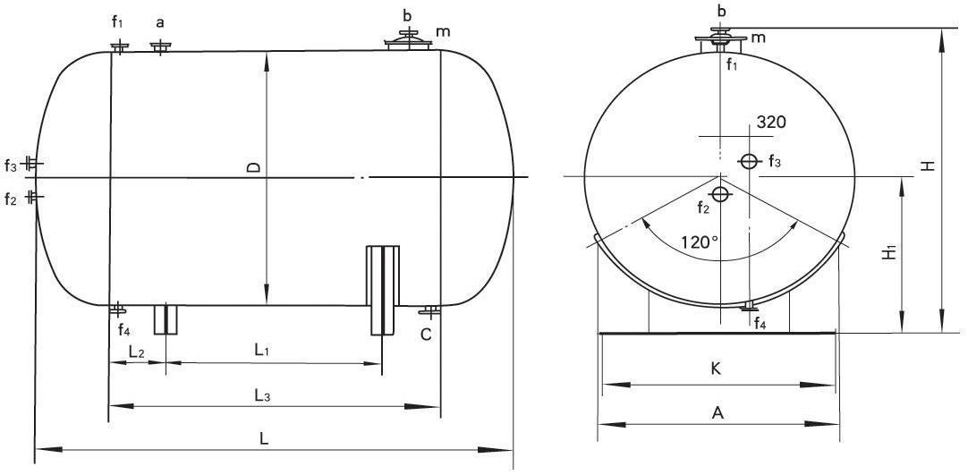
卧式贮罐外形尺寸及管口尺寸表
|
公称容积L
|
实际容积L
|
尺寸(mm)Size
|
管口尺寸
|
设备重量
|
||||||||||||
|
D
|
H1
|
H
|
L1
|
L2
|
L3
|
L
|
A
|
K
|
A
|
B
|
C
|
F1-4
|
m
|
|||
|
3000
|
3337
|
1450
|
1089
|
2146
|
794
|
330
|
1454
|
2288
|
1300
|
1090
|
80
|
70
|
80
|
70
|
300 X 400
|
1250
|
|
4000
|
4457
|
1450
|
1089
|
2146
|
1474
|
330
|
2134
|
2968
|
1300
|
1090
|
80
|
70
|
80
|
70
|
300 X 400
|
1590
|
|
5000
|
5550
|
1600
|
1166
|
2300
|
1420
|
360
|
2140
|
3052
|
1430
|
1180
|
80
|
70
|
80
|
70
|
300 X 400
|
2020
|
|
6300
|
7024
|
1750
|
1243
|
2454
|
1474
|
390
|
2254
|
3246
|
1560
|
1300
|
80
|
70
|
80
|
70
|
300 X 400
|
2560
|
|
8000
|
8910
|
1900
|
1318
|
2604
|
1590
|
420
|
2430
|
3496
|
1690
|
1420
|
80
|
70
|
80
|
70
|
300 X 400
|
2960
|
|
10000
|
11094
|
2000
|
1368
|
2704
|
1880
|
450
|
2780
|
3900
|
1780
|
1490
|
100
|
80
|
100
|
70
|
300 X 400
|
3730
|
|
12500
|
13921
|
2000
|
1368
|
2704
|
2704
|
470
|
3680
|
4800
|
1780
|
1490
|
100
|
80
|
100
|
70
|
300 X 400
|
4570
|
|
16000
|
17756
|
2200
|
1470
|
2908
|
2840
|
500
|
3840
|
5080
|
1950
|
1680
|
100
|
80
|
100
|
70
|
300 X 400
|
5570
|
|
20000
|
22332
|
2400
|
1572
|
3112
|
2930
|
550
|
4030
|
5374
|
2130
|
1890
|
100
|
80
|
100
|
70
|
300 X 400
|
6910
|
|
30000
|
33300
|
3000
|
1876
|
3720
|
2370
|
630
|
3630
|
5282
|
2650
|
2430
|
100
|
80
|
100
|
70
|
300 X 400
|
9680
|
|
40000
|
41000
|
3000
|
1876
|
3720
|
3460
|
630
|
4720
|
6356
|
2650
|
2430
|
100
|
80
|
100
|
70
|
300 X 400
|
11350
|
|
50000
|
51600
|
3000
|
1876
|
3720
|
4960
|
630
|
6220
|
7856
|
2650
|
2430
|
100
|
80
|
100
|
70
|
300 X 400
|
14500
|
| 上一篇:石墨换热器 | 下一篇: 搪玻璃蒸馏灌 |